сруб бани - фото 1 сруб бани - фото 2 сруб бани - фото 3 сруб бани - фото 4 сруб бани - фото 5  
главная страницаглавная страница
каталог проектов - предлагаем Вашему вниманию проекты деревянных домовкаталог проектов - предлагаем Вашему вниманию проекты деревянных домов
Фотогалерея - предлагаем Вашему вниманию фотографии производственного процесса изготовления срубовФотогалерея - предлагаем Вашему вниманию фотографии производственного процесса изготовления срубов
наши расценки - подробная информация о стоимости изготовления срубов и установки фундаментанаши расценки - подробная информация о стоимости изготовления срубов и установки фундамента
статьи о строительстве банистатьи о строительстве бани
контактная информациконтактная информация

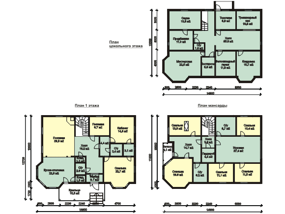
Дом из бруса с мансардой

Общая площадь: 421 м2 Жилая площадь: 138 м2 Площадь жилого здания: 457 м2


Рейтинг@Mail.ru

ООО «Центр «Круглый год» - 127018, г. Москва, ул. Складочная, д. 3, стр. 5, офис №500
тел.: +7 (903) 505 99 11

. : Copyright © 2007-2008 ООО «Центр «Круглый год» || designed by studio «D&D» : .